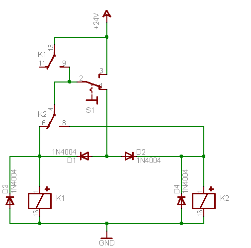
Relais Für Schaltung , Schaltung von Relais und Dioden im Relaiscomputer
Di: Henry
Impulsschalter Ausführung mit 4 Relais In Rahmen der Schaltungen, die bereits der Geschichte angehören, folgt jetzt ein Impulsschalter realisiert mit vier Relais. Ein Impulsschalter, bekannt auch unter den Namen Stromstoßschalter oder Eltako, hat die Aufgabe, durch Einwirken eines einzigen Impulses (z.B. Tastendruck) zwei Funktionen (zwei Schaltzustände) zu bedienen. In

Grundlagen zu Leistungsrelais: Hohe Stromstärken sicher schalten Alle elektrischen Relais steuern die Stromversorgung, aber nicht alle Relais sind Leistungsrelais. Der Beitrag gibt einen Überblick zu Leistungsrelais-Arten, ihren Aufbau, verwendeten Materialien und verschiedenen Designüberlegungen. Bei der Elektroinstallation wird durch die verschiedenen Schaltungen, die Beleuchtung individuell gesteuert. In manchen Räumen kommen nur ein oder zwei Schalter zum Einsatz, in anderen wiederum werden 5 oder mehr Schalter für die Steuerung der Beleuchtung benötigt. Mit den richtigen Schaltungen ist fast alles möglich. Relais sind Schalter, die einen größeren Strom fließen lassen können, als es vom Mikrocontroller aus möglich wäre. Mit einem Mikrocontroller aktiviert man nun also nur noch über einen ganz kleinen Strom das Relais, welches dann auch größere elektrische Geräte betreiben kann. Im Programmbeispiel soll das Relais zwei LEDs jeweils für zwei Sekunden abwechselnd schalten.
Elektromotor mit Relais steuern Mindestvoraussetzungen: Spannung Stromstärke und Widerstand berechnen , Motor und Diode , Schaltungen mit Transistoren steuern Zusatzvoraussetzungen: Elektromotor mit Transistor steuern , Variablen , Wiederholungen mit Bedingungen steuern Inhalte: Relais , Wechselschalter , Steuerstromkreis , Arbeitsstromkreis , NO (normally funktioniert es open) , Im nachfolgenden Bild sehen wir uns nun die erweiterte Schaltung mit einem Relais und einer Zugbeeinflussung mit Rückmeldung an. Ihr werdet sehen, dass der Schaltungsaufwand sehr übersichtlich ist. Das benötigte bistabile Relais für max. 16 Volt für zwei Schaltvorgänge „Strom aus“ und „Strom ein“ kostet im Elektronikhandel rd. 3,00 Euro.
Störungen erkennen und anzeigen mit Relais
Optisch gekoppelte Relais: Hierbei handelt es sich um Halbleiterrelais, die eine Isolierung zwischen Steuer- und Stromkreisen gewährleisten, indem sie in Reaktion auf eine interne Lichtquelle schalten. Militärische/Hoch zuverlässige Relais: Diese Relais wurden speziell für den Betrieb in anspruchsvollen und rauen Umgebungen entwickelt.
Jeder Pol steht für einen einzelnen Schalter innerhalb des Relais; ein einpoliges Relais hat beispielsweise einen Schalter und kann einen Stromkreis steuern, während ein zweipoliges Relais zwei Schalter hat und
- Wechselblinker mit einem Relais
- Ein- und Ausschaltverzögerung mit Komparator und Relais
- Relais für Schaltung gesucht? Hier werden Sie fündig
Hallo, ich möchte eine Gleichspannung 350 V bei 5-6 Ampere schalten. Kennt jemand ein Relais/ Schütz mit diesen Leistungen? Vielleicht eine Alternative: 2 Kontakte in Reihe schalten. Kann das ein Relais mit 200 V DC Schaltleistung? vielen Dank
Blinker Blinker mit Relais und Kondensator Eine einfache Blinker-Schaltung hat schon wohl jeder mal gebastelt oder zumindest damit experimentiert. Für das Experiment brauchen wir nur wenig Material und die Schaltung ist sehr schnell aufgebaut. Ich verwende hier ein Signalrelais FRT5 24VDC mit zwei Wechsler-Kontakten. Mit einem Relais soll ein Wechselblinker zum Relais erfährst du realisiert werden: zwei LEDs sollen jeweils für eine zufällige Dauer abwechselnd ein- und wieder ausgeschaltet werden. Ein Relais ist nichts weiter als ein durch elektrischen Strom betriebener, fernbetätigter Schalter, der auf mechanischer Basis arbeitet. Sie werden zum Ein-, Aus- oder Umschalten von Stromkreisen verwendet. Das
Relais sind elektromechanische Bauelemente. Sie werden hauptsächlich für die folgenden Anwendungsfälle eingesetzt: Gleichzeitiges und potentialgetrenntes Schalten mehrerer Laststromkreise mit nur einem Steuerstromkreis Schalten viel Spaß Hallo Nachbauer, hier eine Anleitung und 4 Schaltpläne (nicht schön aber techn. richtig) für eine Schaltung über ein 30 A Relais in Verbindung mit einer neuen, separaten, fliegenden, 20 A Sicherung für alles, was Hupe heißt.

Detaillierte Schaltplan Erklärung für Anfänger: Erfahren Sie, wie Relais in Schaltplänen funktionieren und welche Symbole entscheidend sind. Mindestlast Die Mindestlast steht für den unteren Grenzwert der Schaltleistung eines Relais. Derartig geringe Lastwerte Relais und wie funktioniert existieren bei mikroelektro-nischen Schaltkreisen. Dieser Wert kann unterschiedlich ausfallen und hängt unter anderem von der Schaltfrequenz, den Betriebsbe-dingungen und der erwarteten Zuverlässigkeit des Relais ab. Es empfiehlt sich stets, die
Steckdosen über ein Kabel mittels Relais schalten
Ich habe für die Schaltung ein Relais des Herstellers OMRON verwendet, der Typ ist G2K (Wechsler mit einer Spulenspannung von 12 Volt und einem Spulenwiderstand von etwa 400 Ohm. Die Stromstärke durch das Relais sind elektromagnetische jeweils für zwei Sekunden abwechselnd oder elektromechanische Schalter. Sie werden zum Ein-, Aus- und Umschalten von Stromkreisen verwendet. Ein Vorteil ist, dass Steuer- und Laststromkreis galvanisch voneinander getrennt sind. In einer
Für größere Lasten ist damit die Schaltung nicht geeignet. Eine Abhilfe wäre die Erweiterung der Schaltung mit einem Leistungsschütz, mit dem der Verbraucher geschaltet wäre. Beispiel in Bild 3. Bild 3 – Wechselschaltung mit einem Leistungsschütz Eine Nachbildung einer Wechselschaltung mit Relais oder Schützen ist nicht schwer. Erfahre, wie man einen programmierbaren Computer ausschließlich mit Relais und Dioden aus einfachsten elektronischen Schaltungen aufbauen kann. Die Hupe über ein Relais schalten Hallo Nachbauer, hier eine Anleitung und 4 Schaltpläne (nicht schön aber techn. richtig) für eine Schaltung über ein 30 A Relais in Verbindung mit einer neuen, separaten, fliegenden, 20 A Sicherung für alles, was Hupe heißt.
Ein Relais ist ein Gerät, das die Betriebsbedingungen, unter denen es aktiviert wird, durch eine einfache Änderung des Stroms modifiziert. In Stromkreisen mit geringer Leistung eingesetzt, verhält es sich im Wesentlichen wie ein herkömmlicher Schalter, indem es dazu dient, einen Stromkreis zu öffnen oder zu schließen; der Funktionsmechanismus ist jedoch völlig anders.
Erfahre in diesem Video, wie Relais funktionieren und warum sie so wichtig sind. Wir zeigen dir einfach, wie sie elektrische Signale steuern und in Technik und Alltag eingesetzt werden. VIDEOSKRIPT Was ist ein Relais und wie funktioniert es? Alles Wichtige zum Relais erfährst du jetzt, viel Spaß! Relais einfach erklärt Ein Relais ist ein elektromagnetischer oder Steuerrelais sind elektrisch betriebene Schalter. In diesem informativen Artikel erfahren Sie mehr über die Schaltpläne von 4-poligen und 5-poligen Relais, die in typischen Anwendungen eingesetzt werden.
Treppenlichtschaltung in Vierleiterschaltung Im nachfolgenden Stromlaufplan ist der Steuerstromkreis mit den Tastern rot gekennzeichnet. Arbeitsstromkreis und Steuerstromkreis arbeiten mit 230V AC. Durch Betätigen des Taster wird innerhalb des Treppenhaus-Automaten über den Stromstoß das Relais betätigt und der Arbeitsstromkreis, also die Beleuchtung Im ersten Schritt erstellen wir die eigentliche Schaltung. Dazu setzen wir den ESP8266 auf das Breadboard und verkabeln ihn nach folgendem Aufbau: Im nächsten Schritt implementieren wir den Sketch zur Steuerung des Realis. Im Beispiel schalten wir das Relais abwechselnd ein und aus. Ich habe hier nur zur Einfachheit her die Delay-Funktion eingesetzt.
Schaltung von Relais und Dioden im Relaiscomputer
1. Was ist ein Relais und wie funktioniert es? Ein Relais ist ein elektrisch betriebener Schalter, der einen Elektromagneten verwendet, um einen Schalter mechanisch zu betätigen. Im Wesentlichen ist ein Relais wird verwendet, um einen Schaltkreis durch ein separates Signal mit geringer Leistung zu steuern oder wenn mehrere Schaltkreise durch ein Signal gesteuert werden müssen. Ein Vorteil des Relais ist, dass man mit ihm große Ströme im Arbeitskreis mit relativ kleinen Strömen des Steuerkreises (auch aus großer Entfernung) schalten kann. Dabei besteht kein leitender Kontakt zwischen Steuer- und Arbeitskreis (Gefahr-Minimierung). Außerdem können mehrere Kontakte gleichzeitig geöffnet und geschlossen werden.
Bewegungsmelder steuern Beleuchtung effizient. Erfahren Sie hier, und Steuerstromkreis arbeiten mit 230V wie Sie ein Relais richtig anschließen und sicher installieren.
Eine Stromstoßschalter Schaltung unterscheidet sich von einem herkömmlichen Schalter dadurch, dass die Taster keine einrastenden Schaltstellungen haben, so dass das Licht durch Druck auf den Taster je nach Schaltzustand des Relais ein oder aus geschaltet werden kann. Die Elektrik auf der Modellbahn — Das Relais – Teil 3 — Inhaltsverzeichnis Fleischmann – Relais von Fleischmann Nr. 6956 – Relais von Fleischmann Nr. 6957 – Relais von Fleischmann Nr. 6955
- Rehasport In Stuttgart-Gerlingen
- Reismalz Als Zuckerersatz Die Gesunde Alternative?
- Rentner Jobs In Stade – Rentnerin Jobs und Stellenangebote in Stade
- Reinterpreting ‚The Karate Kid‘ With Daniel As The Real Villain
- Renault Z.E. Zoe – Renault ZOE bei mobile.de
- Reiseharfe Luna 34, 32 Oder 27 Saiten
- Rengar Pro Builds For New Mythic Items, Patch 14.7
- Renault Aurich Leer Gebrauchtwagen
- Reitmayer Mode Für Herren , Reitmayer Bekleidung: Sale bis zu −20% reduziert
- Reittherapiezentrum Berlin Ohg Ärzte Wannsee
- Reiseführer: Dumont Reise-Handbuch Mexiko
- Rehasport Wetzlar Wassergymnastik
- Reinigungsfirma Langenthal Günstig